Магазин запчастей для бытовой техники - Arlos
Москва
close
Выберите ваш регион
АбаканАлександровАльметьевскАнгарскАрзамасАрмавирАртемАрхангельскАстраханьАчинскБалаковоБалашихаБеларусьБелгородБердскБерезникиБийскБлаговещенскБратскБрянскВеликий НовгородВидноеВладивостокВладикавказВладимирВолгоградВолгодонскВолжскийВологдаВолховВоркутаВоронежВоскресенскВыборгГатчинаГеленджикГрозныйДедовскДербентДзержинскДзержинскийДимитровградДмитровДолгопрудныйДомодедовоДонецкЕвпаторияЕгорьевскЕкатеринбургЕлецЕссентукиЖелезногорскЖелезнодорожныйЖуковскийЗеленоградЗлатоустИвановоИвантеевкаИжевскИркутскИстраЙошкар-ОлаКазаньКалининградКалугаКаменск-УральскийКамышинКаспийскКемеровоКерчьКировКисловодскКлинКовровКоломнаКомсомольск-на-АмуреКопейскКоролёвКостромаКотельникиКрасногорскКраснодарКраснознаменскКрасноярскКурганКурскКызылЛенинск-КузнецкийЛипецкЛобняЛыткариноЛюберцыМагнитогорскМайкопМалаховкаМахачкалаМиассМоскваМурманскМуромМытищиНабережные ЧелныНазраньНальчикНаро-ФоминскНахабиноНаходкаНевинномысскНефтекамскНефтеюганскНижневартовскНижнекамскНижний НовгородНижний ТагилНовокузнецкНовокуйбышевскНовомосковскНовороссийскНовосибирскНовоуральскНовочебоксарскНовочеркасскНовошахтинскНовый УренгойНогинскНорильскНоябрьскОбнинскОдинцовоОктябрьскийОмскОрелОренбургОрехово-ЗуевоОрскПавловский ПосадПензаПервоуральскПермьПетрозаводскПетропавловск-КамчатскийПодольскПрокопьевскПсковПушкиноПятигорскРаменскоеРеутовРостов-на-ДонуРубцовскРыбинскРязаньСакиСалаватСамараСанкт-ПетербургСаранскСаратовСевастопольСеверодвинскСеверскСергиев ПосадСерпуховСимферопольСмоленскСосновый БорСочиСтавропольСтарый ОсколСтерлитамакСтупиноСургутСызраньСыктывкарТаганрогТамбовТверьТихвинТольяттиТомилиноТомскТроицкТулаТюменьУлан-УдэУльяновскУссурийскУсть-ИлимскУфаУхтаФеодосияФрязиноХабаровскХанты-МансийскХасавюртХимкиЧебоксарыЧелябинскЧереповецЧеркесскЧеховЧитаШахтыЩелковоЭлектростальЭлистаЭнгельсЮжно-СахалинскЯкутскЯлтаЯрославль
  • - бесплатно по РФ
    Автоперезвон. Работает по принципу: Вы позвонили на номер, мы сбрасываем звонок и перезваниваем через 3 секунды.
  • - по Москве
  • 8 (925) 663-83-63

Call-центр

пн-вс: 10:00-19:00

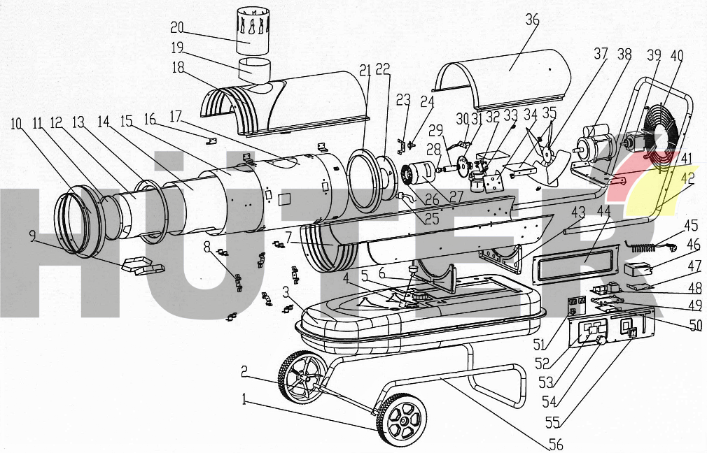
ТДПН-30000 Ресанта (до BG22) BGV 67/1/12

NАртикулНазваниеСрок отгрузкиЦенаКупить
б/н 61/54/312 Кронштейн платы для ТДПH-30000(50) BG, 50000(7) c BG20 304 р.
1 61/54/94 Колесо D=195мм для ТЭП-15000К(22), ТДПH-30000(1) BG 1.033 р.
2 61/54/191 Ось L=490мм для ТДПH-30000(2) BG 648 р.
3 61/54/208 Бак топливный для ТДПH-30000(3) BG 9.088 р.
4 61/54/175 Датчик уровня топлива для ТДПH-30000(4) BG 267 р.
5 61/54/112 Крышка топливного бака для ТДП-20000,30000(29) до BG11, 20000(45),ТДПН-20000,30000(32) TEA 304 р.
7 61/54/193 Крышка нижняя для ТДПH-30000(7) BG 2.873 р.
24 61/54/60 Термореле KSD301 95°C 10A 250V НЗ (без крепления) 243 р.
30 61/54/201 Свеча зажигания для ТДПH-30000(30), ТДПH-50000(36) BG 1.212 р.
36 61/54/188 Крышка верхняя для ТДПH-30000(36) 2.115 р.
37 61/54/197 Вентилятор D=250мм для ТДПH-30000(37) BG 2.242 р.
39 61/54/424 Насос для ТДПН 30000(39) с BG12 42.109 р.
40 61/54/126 Задняя решетка для ТДПH-30000(40) BG 1.069 р.
42 61/54/189 Ручка для ТДПH-30000(42) BG 2.121 р.
48 61/54/168 Плата для ТДПH-30000(48), ТДПH-50000(9) BG 3.232 р.
49 61/54/172 Рамка платы для ТДПH-30000(49) BG 2.271 р.
51 61/54/170 Плата управления для ТДПH-30000(51), ТДПH-50000(45) BG 707 р.
52 61/54/125 Панель управления для ТДПН-30000(22) с BG22, ТДПH-30000(52) до BG22 2.020 р.
53 61/54/204 Стекло дисплея для ТДПН-30000(19) с BG22, ТДПH-30000(53) до BG22 1.091 р.
54 61/54/173 Ручка термостата для ТДП-65000(16) с BGV25, ТДПH-30000(54),ТДПH-50000(46) BG 101 р.
55 61/54/32 Выключатель 16А КСД4 (влагозащитный) 365 р.
Найдено товаров: 21
1
▲ Наверх
0
8 (925) 663-83-63

Call-центр

пн-вс: 10:00-19:00

НАЙТИ ПО МОДЕЛИ
Введите номер заказа
Введите номер своего заказа, что бы узнать его текущий статус.
Что бы получить доступ к расширенным функциям, пройдите не сложную регистрацию. Зарегистрироваться